Oilfield Camp Solutions
Jinze provides comprehensive modular camp solutions for oilfield projects, designed with a focus on functionality, safety, and comfort, suitable for harsh environments worldwide. Through carefully arranged modular units, we offer clients an integrated camp structure that includes living quarters, workspaces, control centers, and auxiliary facilities.
Our camp designs prioritize personnel safety and convenience, equipped with clearly marked escape routes, fire-fighting equipment, ventilation systems, and emergency ladders. Each camp unit is connected through optimized passageways, forming a cohesive whole that ensures freedom of movement while enhancing management and maintenance efficiency. Additionally, the centralized power supply and fuel systems provide continuous energy support to the entire camp, ensuring smooth operations even in the most challenging environments.
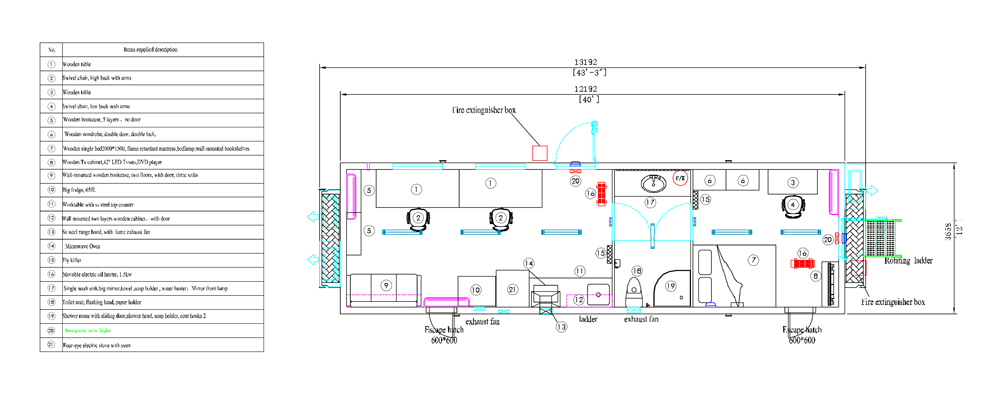
Layout of Rig Site Camp
Click on the image to view more information (large image) 
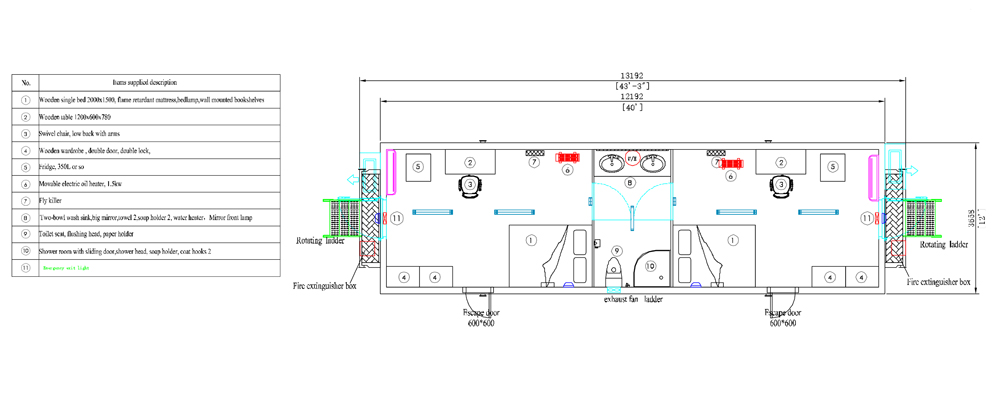
Layout of Main Camp
Click on the image to view more information (large image) 
Camp Interior Layout
Each layout of Jinze's oilfield camps is meticulously designed to maximize space utilization while ensuring comfort and functionality. The layouts efficiently integrate work areas, resting zones, and shared facilities, offering privacy for individuals while making shared amenities easily accessible. Each unit is equipped with safety features such as emergency escape routes, fire extinguishers, ventilation systems, and rotating ladders, ensuring quick response in emergencies. Additionally, these modular units are highly flexible and can be reconfigured or expanded according to project needs, accommodating different scales of camp construction. Whether it's the furniture in work areas or the amenities in living spaces, everything is designed to high standards, providing a comfortable, safe, and fully functional environment for long-term use in remote and harsh conditions.
VIP office/sleeper
Click on the image to view more information (large image) 
VIP sleeper
Click on the image to view more information (large image) 